Standardübersicht
EN 14850 definiert die standardisierte Messverfahren für die Kontakthöhe An Metall-Aerosolbehälter mit einem 25,4 mm Öffnung.
Es definiert nicht die Geometrie des Containers, sondern legt fest wie die für den Clinch relevante Geometrie gemessen werden muss um die Wiederholgenauigkeit über alle Abfüllanlagen und Lieferanten hinweg zu gewährleisten.
Geltungsbereich und Anwendbarkeit
Die Methode gilt ausschließlich für 25,4 mm Aerosolsysteme.
Definition der Kontakthöhe
Kontakthöhe (h) ist definiert als der Abstand zwischen:
- Die horizontale Tangentialebene der Öffnungslippe
- Der Krümmungsmittelpunkt des zubeißenden Kieferendes

- Di – Innendurchmesser der Öffnung = 25,4 mm
- t – Wandstärke der Ventilkappe = 0,3 mm
- R – Radius der Klemmbacken = 1,2 mm
- CD – Klemmdurchmesser der Backen = 27,1 mm
- h – Kontakthöhe


Messprinzip
Die Messung bildet die realen Klemmbedingungen nach, indem sie die Geometrie der Klemmbacken simuliert, die durch die Ventiltellerwand wirken.

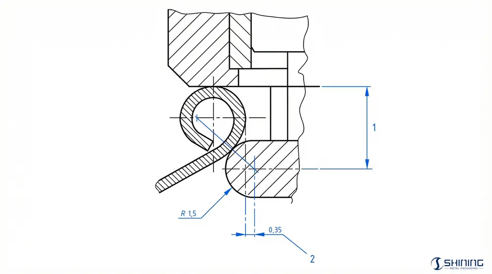
Legende – Abbildung 2
- 1 – Punkt des harten Kontakts zwischen Messradius und Innenöffnungsprofil
- 2 – Durchmesser der Klemmbacken (CD)
Instrumentengeometrie
Um eine Gleichwertigkeit mit dem tatsächlichen Clinch zu erreichen, werden die Clinchbacken durch eine spezielles Messinstrument.

Legende – Abbildung 3
- 1 – Kontakthöhe (h)
- 2 – Konstante des Messgeräts
Messverfahren
Äquivalenter Messradius
Der Messradius r ist definiert als:
r = Rc + t
- Rc – Krümmungsradius der Klemmbacken = 1,2 mm
- t – Wandstärke der Ventilkappe = 0,3 mm
Ergebend:
r = 1,5 mm

Instrumentenkonstante (0,35 mm)
Der Mittelpunkt des Messradius befindet sich in einem festen horizontalen Abstand von der inneren Tangente der Öffnung.
Diese Konstante wird abgeleitet aus:
R + t − (CD + 2t − Di) / 2 = 0,35 mm
Messschritte
- Das Instrument mithilfe des Referenzeinstellstücks auf Null stellen.
- Positionieren Sie das Instrument so, dass ein fester Kontakt hergestellt wird.
- Messen Sie die Kontakthöhe an drei äquidistanten Positionen
- Mittelwert, Maximal- und Minimalwert aufzeichnen
Warum die Kontakthöhe wichtig ist
Korrekte Kontakthöhenstützen:
- Konstante Clinch-Geometrie
- Gleichmäßige Dichtungskompression
- Stabile Dichtungsleistung
Allerdings stellt die Norm EN 14850 klar, dass die Kontakthöhe allein keine Dichtheit garantiert.
Verhältnis zu anderen Normen
- EN 14847 – Abmessungen der Blechöffnung
- EN 15006 – Abmessungen der Aluminiumöffnung
- EN 14848 – Ventilkappen
- EN 15010 – Toleranzen im Zusammenhang mit dem Einpressen
- FEA 216 – Klemmbackenlagerflächen
Laden Sie die Standard-PDF-Datei herunter
Dieses Dokument enthält EN 14850, Die Methode zur Messung der Kontakthöhe in metallischen Aerosolbehältern mit einer Öffnung von 25,4 mm wird beschrieben. Sie definiert Prüfverfahren und Anforderungen an die Instrumentierung, um eine korrekte Klemmeinstellung und eine gleichbleibende Dichtungsleistung zu gewährleisten.
Häufig gestellte Fragen – Entwicklung & Qualitätssicherung
Nein. Es handelt sich um eine standardisierte Messmethode, die häufig für die Einrichtung von Werkzeugen und für Audits verwendet wird.
Nein. Es handelt sich um einen notwendigen Referenzwert, aber nicht um ein eigenständiges Dichtungskriterium.
Sie decken Ovalität und lokale Formabweichungen auf, die bei Einzelpunktprüfungen möglicherweise übersehen werden.
Nein. Nur das Messgerät vom Typ EN 14850 bildet die reale Klemmgeometrie nach.
Während der Einrichtung, nach Werkzeugwechseln und immer dann, wenn sich die Dichtungsleistung ändert.


