Standardübersicht
Der EN 15007:2017 Die Norm liefert die Maßvorgaben für zwei und dreiteilige Aerosoldosen aus Weißblech. Es definiert wesentliche Maße für den Korpus, den oberen und den unteren Teil der Dosen, die für das ordnungsgemäße Abdichten, Befüllen und die Integration des Ventils im Produktionsprozess von entscheidender Bedeutung sind.
1. Zweiteilige vs. dreiteilige Dosen
Zweiteilige Dosen bestehen typischerweise aus gezogenem und wandgeschweißtem Korpus mit separatem Deckel, während dreiteilige Dosen aus einem verschweißten Korpus sowie einem Deckel und einem Boden bestehen.
2. Wichtigste Abmessungen und Spezifikationen
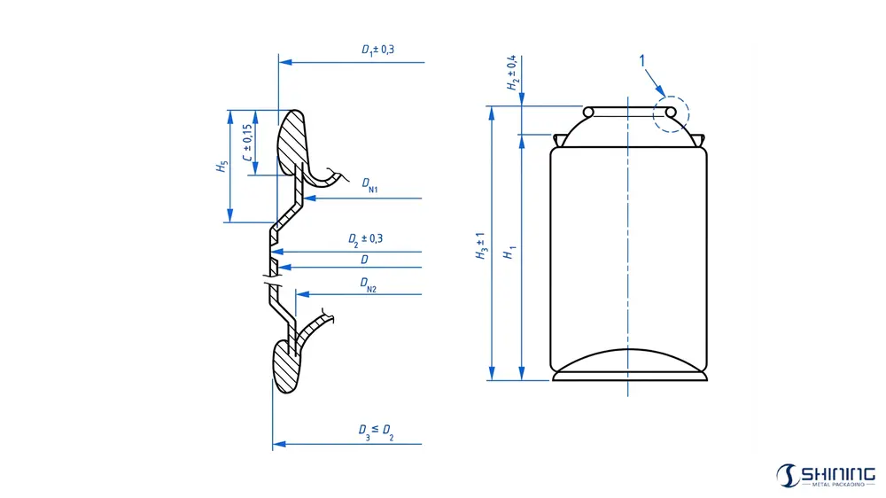
2.1 Abmessungen für Behälter mit Einschnürung
Bei Dosen mit nach innen gewölbtem Hals gewährleisten die nachstehend angegebenen Maße die Stabilität der Dosenstruktur und ermöglichen gleichzeitig einen optimalen Verschluss des Ventildeckels.

1 Öffnung (gemäß EN 14847)
2.2 Abmessungen für geradwandige Behälter

1 Öffnung (gemäß EN 14847)
Behälter mit geraden Seitenwänden weisen über ihre gesamte Höhe einen gleichbleibenden Durchmesser auf. Nachfolgend sind die Standardabmessungen für diese Dosenart aufgeführt:
Tabelle 1 – Nennfüllmengen und Abmessungen für Aerosolbehälter aus Weißblech
| randvolla C2 (ml) |
Nominalfüllung V (ml) |
Körper D (mm) |
Spitzenklasse DN1 (mm) |
Unteres Ende DN2 (mm) |
H1 (mm) |
H2 (mm) |
H3 (mm) |
D1 (mm) |
C (mm) |
H5 (mm) |
D2 (mm) |
|||
|---|---|---|---|---|---|---|---|---|---|---|---|---|---|---|
| nom | min | max | Flüssiggasb
/ komprimiertes Gasc |
|||||||||||
| 140 | 134 | 146 | 100 | 75 | 45 | 41 | 42 | 96 | 5.6 | 101.6 | 43.6 | 2.9 | 5.3 | 45.2 |
| 175 | 169 | 181 | 125 | 100 | 45 | 41 | 42 | 118 | 5.6 | 123.6 | 43.6 | 2.9 | 5.3 | 45.2 |
| 210 | 204 | 216 | 150 | 125 | 45 | 41 | 42 | 140 | 5.6 | 145.6 | 43.6 | 2.9 | 5.3 | 45.2 |
| 240 | 233 | 247 | 175 | 135 | 45 | 41 | 42 | 158 | 5.6 | 163.6 | 43.6 | 2.9 | 5.3 | 45.2 |
| 270 | 262 | 278 | 200 | 150 | 45 | 41 | 42 | 178 | 5.6 | 183.6 | 43.6 | 2.9 | 5.3 | 45.2 |
| 210 | 204 | 216 | 150 | 125 | 49 | 45 | 46 / 47d | 119 | 7.0 | 126.0 | 47.8 | 2.9 | 5.5 | 49.3 |
| 270 | 262 | 278 | 200 | 150 | 49 | 45 | 46 / 47d | 151 | 7.0 | 158.0 | 47.8 | 2.9 | 5.5 | 49.3 |
| 305 | 297 | 313 | 225 | 175 | 49 | 45 | 46 / 47d | 169 | 7.0 | 176.0 | 47.8 | 2.9 | 5.5 | 49.3 |
| 335 | 325 | 345 | 250 | 200 | 49 | 45 | 46 / 47d | 185 | 7.0 | 192.0 | 47.8 | 2.9 | 5.5 | 49.3 |
| 405 | 393 | 417 | 300 | 250 | 49 | 45 | 46 / 47d | 222 | 7.0 | 229.0 | 47.8 | 2.9 | 5.5 | 49.3 |
| 140 | 134 | 146 | 100 | 75 | 52 | 48 | 50 | 72 | 8.0 | 80.0 | 50.7 | 3.2 | 5.6 | 52.7 |
| 175 | 169 | 181 | 125 | 100 | 52 | 48 | 50 | 88 | 8.0 | 96.0 | 50.7 | 3.2 | 5.6 | 52.7 |
| 210 | 204 | 216 | 150 | 125 | 52 | 48 | 50 | 105 | 8.0 | 113.0 | 50.7 | 3.2 | 5.6 | 52.7 |
| 270 | 262 | 278 | 200 | 150 | 52 | 48 | 50 | 132 | 8.0 | 140.0 | 50.7 | 3.2 | 5.6 | 52.7 |
| 335 | 325 | 345 | 250 | 200 | 52 | 48 | 50 | 161 | 8.0 | 169.0 | 50.7 | 3.2 | 5.6 | 52.7 |
| 405 | 393 | 417 | 300 | 250 | 52 | 48 | 50 | 195 | 8.0 | 203.0 | 50.7 | 3.2 | 5.6 | 52.7 |
| 520 | 507 | 533 | 400 | 300 | 52 | 48 | 50 | 244 | 8.0 | 252.0 | 50.7 | 3.2 | 5.6 | 52.7 |
| 270 | 262 | 278 | 200 | 150 | 57 | 52 | 54 | 110 | 9.5 | 119.5 | 55.5 | 3.3 | 6.0 | 57.6 |
| 335 | 325 | 345 | 250 | 200 | 57 | 52 | 54 | 136 | 9.5 | 145.5 | 55.5 | 3.3 | 6.0 | 57.6 |
| 405 | 393 | 417 | 300 | 250 | 57 | 52 | 54 | 164 | 9.5 | 173.5 | 55.5 | 3.3 | 6.0 | 57.6 |
| 520 | 507 | 533 | 400 | 300 | 57 | 52 | 54 | 207 | 9.5 | 216.5 | 55.5 | 3.3 | 6.0 | 57.6 |
| 650 | 637 | 663 | 500 | 400 | 57 | 52 | 54 | 257 | 9.5 | 266.5 | 55.5 | 3.3 | 6.0 | 57.6 |
| 405 | 393 | 417 | 300 | 250 | 65 | 60 | 63 | 122 | 13.5 | 135.5 | 63.2 | 3.3 | 6.3 | 65.9 |
| 520 | 507 | 533 | 400 | 300 | 65 | 60 | 63 | 157 | 13.5 | 170.5 | 63.2 | 3.3 | 6.3 | 65.9 |
| 650 | 637 | 663 | 500 | 400 | 65 | 60 | 63 | 195 | 13.5 | 208.5 | 63.2 | 3.3 | 6.3 | 65.9 |
| 800 | 784 | 816 | 600 | 500 | 65 | 60 | 63 | 240 | 13.5 | 253.5 | 63.2 | 3.3 | 6.3 | 65.9 |
| 1000 | 980 | 1020 | 750 | 600 | 65 | 60 | 63 | 300 | 13.5 | 313.5 | 63.2 | 3.3 | 6.3 | 65.9 |
a Die Minimal- und Maximalwerte wurden gemäß EN ISO 90-3 berechnet.
b Produkte, die mit Flüssiggas angetrieben werden.
c Produkte, die ausschließlich mit komprimierten Gasen oder mit Gemischen aus Lachgas oder Kohlendioxid angetrieben werden, wenn der Bunsen-Koeffizient ≤ 1,2 ist.
d Das hängt von den Unternehmen ab.
3. Bezeichnung von Aerosolbehältern
Aerosoldosen sollten wie folgt gekennzeichnet werden:
- Nennfüllmenge (C2) in Millilitern.
- Charakteristische Durchmesser (D) in Millimetern.
- Nennhöhe (H1) in Millimetern.
Bei Dosen mit eingezogenem Hals und unterschiedlichen Durchmessern oben und unten sollte die Bezeichnung auch die Durchmesser beider Enden enthalten (z. B. C2/D/DN1/DN2/H1).
4. Messmethoden
4.1 Messung der Apertur
Die Öffnung sollte den in der Tabelle angegebenen Abmessungen entsprechen. EN 14847, um den korrekten Sitz der Ventilkappe zu gewährleisten.
4.2 Messen von Durchmessern und Höhen
Verwenden Sie Standardmessinstrumente wie Messschieber und Lehren, um die Abmessungen an bestimmten Punkten zu erfassen und die Einhaltung der in den obigen Tabellen aufgeführten Toleranzen sicherzustellen.
Laden Sie die Standard-PDF-Datei herunter
Dieses Dokument präsentiert EN 15007, Die Norm legt die Maßanforderungen für zwei- und dreiteilige Aerosolbehälter aus Weißblech fest. Sie definiert Nennfüllmengen, wichtige Durchmesser und Höhen für Dosen mit Einschnürung und geraden Seitenwänden und unterstützt so standardisierte Konstruktion, Fertigungskontrolle und Maßprüfung für Aerosolverpackungen.
Häufig gestellte Fragen (FAQ)
EN 15007 definiert die Gesamtabmessungen von zwei- und dreiteiligen Aerosoldosen aus Weißblech. Sie muss zusammen mit EN 14847 für die Öffnungsgeometrie und EN 14848 für die Ventilkappenabmessungen verwendet werden, um die Kompatibilität beim Abdichten und Befüllen zu gewährleisten.
Verjüngte Konstruktionen reduzieren den Ventildurchmesser bei gleichbleibendem Innenvolumen. Dies verbessert die Ergonomie, senkt den Materialverbrauch im oberen Bereich und gewährleistet die Kompatibilität mit Standard-Ventilsystemen mit 25,4 mm Durchmesser.
Nicht ohne Anpassungen. Unterschiede in Höhe, Schwerpunkt und Geometrie des oberen Bereichs beeinflussen die Ausrichtung des Füllkopfes und das Schließverhalten. Die Abfüllanlagen müssen vor dem Wechsel zwischen diesen Behältertypen überprüft werden.
Kundenspezifische Ausführungen sind möglich, Abweichungen von EN 15007 müssen jedoch die funktionalen Grenzwerte für Dichtung und Abfüllung einhalten. Nicht konforme Abmessungen verringern häufig die Austauschbarkeit und erhöhen die Prozessvariabilität.
Die Norm EN 15007 ist zwar nicht gesetzlich vorgeschrieben, entspricht aber weithin anerkannter Branchenpraxis. Die Anwendung dieser Norm reduziert das Risiko von Maßabweichungen zwischen Dosen, Ventilen und Abfüllanlagen erheblich.


