Standard Overview
The EN 15006:2006 standard specifies essential dimensions for aluminium aerosol containers with a 25.4 mm aperture. These measurements—contact height, outside diameter, inside diameter, and shoulder height—are crucial for ensuring proper sealing, valve cup integration, and clinch efficiency during the filling process.
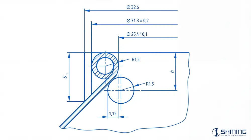
1. Key Dimensions Defined
1.1 Contact Height (h)

Contact height is the vertical distance from the can body shoulder to the sealing surface. This dimension is critical for proper valve fitting and sealing.
- Measured at three equidistant points around the can.
- Aluminium aerosol cans mean value must be 4.25 mm ± 0.20 mm, tinplate cans:4.00 mm ± 0.15 mm.
- Difference across measurements should not exceed 0.50 mm.

1.2 Outside Diameter (D)
This measurement refers to the external diameter around the top clinch of the can.
| Mean Value (mm) | Max–Min Deviation (mm) | Minimum (mm) |
|---|---|---|
| 31.3 ± 0.2 | ≤ 0.4 | ≥ 31.0 |

1.3 Inside Diameter
The internal diameter of the can aperture where the valve is sealed.
| Mean Value (mm) | Max–Min Deviation (mm) | Minimum (mm) |
|---|---|---|
| 25.4 ± 0.1 | ≤ 0.15 | ≥ 25.3 |
1.4 Shoulder Height (S1)
This dimension is necessary for fitting molded plastic components onto the valve cup skirt after the can is sealed. The minimum value varies by can diameter:
| Can Diameter (mm) | Minimum Shoulder Height S1 (mm) |
|---|---|
| 45 | 4.00 |
| 50 | 4.00 |
| 53 | 3.00 |
| 59 | 3.00 |
| 66 | 3.00 |
2. Measurement Methods
Contact Height Measurement
Use gauges as specified in EN 14850. Record the mean, minimum, and maximum values for the three test measurements.
Outside and Inside Diameters
Use calipers or ring gauges, measuring at 60° intervals. Ensure the variance does not exceed the tolerances outlined.
3. Applications of EN 15006
3.1 Clinching Process
Proper dimensional control ensures efficient clinching with valve cups, preventing leaks and ensuring that seals meet the required standards.
3.2 Quality Control
Filling lines require precise measurements for incoming goods inspection. This ensures valve cups and actuators fit properly, optimizing production efficiency.
3.3 Material Compatibility
The dimensions outlined are independent of material used, allowing for flexible sourcing from different suppliers of tinplate, stainless steel, or aluminium containers.
Download the Standard PDF
This document presents EN 15006, specifying dimensional requirements for aluminium aerosol containers with a 25.4 mm aperture. It defines measurement criteria for contact height, diameters, and shoulder height, supporting effective valve clinching, production control, and quality inspection in aerosol packaging applications.
Frequently Asked Questions (FAQ)
EN 15006 defines the aperture and shoulder geometry specifically for aluminium aerosol containers. EN 14847 focuses on tinplate apertures, while EN 14848 defines valve cup geometry; all three must align to achieve reliable clinching.
EN 15006 is written specifically for aluminium containers and reflects aluminium forming behavior. Although the nominal aperture is the same, aluminium and tinplate cans require different contact heights and tolerances.
Insufficient shoulder height often leads to interference between the actuator skirt and the valve cup. This can cause assembly problems, cosmetic defects, or long-term sealing instability.
Yes. For cans with diameters greater than 50 mm, a machined curl is recommended. This improves dimensional stability and reduces deformation during clinching and filling.
EN 15006 should always be applied together with EN 14847 (aperture reference), EN 14848 (valve cups), and EN 14850 (contact height measurement). Using these standards as a system ensures dimensional compatibility and sealing reliability.


